
1、引言
变频调速技术因具有显著的节电效果、方便的调速方式、较宽的调速范围、运行可靠、完善的保护功能等优点而被广泛应用。济南裕兴化工总厂是一家生产硫酸的大型企业,年用电量巨大。如何节约电能已经成为该厂降低成本的重要措施。
2、送风机变频改造情况
2.1 改造前状况
该供风系统采用380V 350kW风机,靠调节风道挡板控制送风量以适应生产负荷的变化。由于投建时风机选型较大,出现“大马拉小车”情况,大部分电能被消耗在风道挡板上,从而使风机效率下降。
该系统在运行过程中采用自耦降压启动方式,但启动电流仍然较大,电机受到的机械、电气冲击较大,经常发生转子笼条断裂的事故。
为了解决上述问题,决定对送风机控制系统进行改造,利用电机变频调速方法实现送风量控制、电机软启动,达到节能和实现稳定控制的目的。
2.2改造方案简介
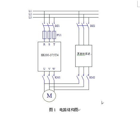
在原电机与开关之间增加一套变频装置,并保留了原有工频回路做旁路,其电路结构图如图1所示。

图1中,变频器采用永利yl23411生产的SB200-375高性能通用变频器,它是该系统的核心。变频器的输出电压为0~380V,输出频率为0~650Hz。在实际使用中,变频器上限频率设置为50Hz。它由高性能数字处理器DSP控制,功率元件采用IGBT模块,具有输入、输出波形好,谐波小等优点。SB200变频器保护功能齐全,包含了过压、过流、欠压、缺相、短路、过热、瞬时停电保护等,能有效地保护电机及自身装置,并且可查询故障时各参数变化的记录,大大地简化了维护的工作量。
变频器采用高精度调节电位器来给定输出频率,根据需要的风量在现场调速。电位器通过屏蔽线与变频器控制器连接,并且设置了低通滤波器以提高控制精度。通过Y1端口的输出频率信号作为现场监控。由于采用了电气互锁装置,使系统不会出现误操作等意外事故。
由于该变频器容量较大,为了减少dv/dt及di/dt对系统的干扰,在变频器直流侧增加了直流电抗器。
3、采用变频器改造的效果
该系统风机电机为350kW、额定电流629A、2极。原工频工作时,平均运行电流530~590A,取550A计算,每小时耗电约317kWh(有功);在投入变频系统运行后,平均每小时耗电207kWh(有功),在变频器输入侧(电源端)测试,电压仍为380V,运行电流为280~320A,取300A计算;变频系统功率因数取0.93;电价0.5元/kWh。
(1) 每小时节电
按有功计算,上式结果乘以上功率因数0.93
40%×0.93≈37%
每小时节电:317-207=110(kWh)
(2) 年效益
该风机为不停机运行,年运行365天,故年节电效益为:
365×24×0.9×110×0.5≈43.4(万元)
(3) 投资回收年限
该系统总投资20余万元,每年收益43.4万元,所以该项目投资回收年限只有半年;同时提高了生产效率,降低了生产成本,效益十分显著。系统使用至今运行稳定,从未出现任何故障。