
一、前言
自来水厂的供水泵站中,供水系统一般由若干台扬程相近的水泵组成,调节水压和流量的传统方法是,按期望输出的水压和流量用人工控制水泵运行的台数。如供水能力4-6万吨/日的自来水厂,水泵的配置方案有多种,其中一种可行的方案是三台160kW和一台90kKW水泵组成。系统工作时,传统的方法是,若供水量较大,显然,流量和管网水压已经不能满足要求,这时需人工投入水泵,根据现场管网水压情况由工人来决定投入160kW水泵还是90kW水泵;若供水量减小,管网水压会升高,此时又需人工切除水泵。在深夜用水量较小时,为节能考虑用一台90kW水泵供水。由于水泵的流量较大,为避免“水锤”效应,人工投切时,投入泵时应遵循“先开机,后开阀”、切除泵时应遵循“先关阀,后停机”的操作程序。若是小功率的水泵,水泵的出水侧都装有普通止回阀,其本上能自动保证以上的操作程序,只是停机时止回阀关闭前的瞬间还是有“水锤”效应产生,如果安装的是“微阻缓闭止回阀”,停机时基本上也不存在“水锤”效应。
二.变频恒压供水的控制方案
由于城市自来水的用量随季节的变化而变化,随每日时段不同而变化。为使供水的水压恒定,最常见的办法是采用变频恒压供水系统,即压力变送器装在主管网上检测管网压力信号,再将此压力信号送到变频器(PLC)的模拟信号输入端口,由此构成压力闭环控制系统,管网压力的恒定依赖变频器的调节控制。对于多泵情况,可以两种不同的控制系统方案,一种是“顺序控制方案”,系统图如图一所示:

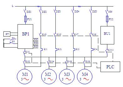
图一 顺序控制方案系统图
图中:BP1—变频器;BU2~BU4--软起动器,PT—压力变送器。由图一可见,变频器连接在第一台水泵电机上,需要加泵或减泵时,由变频器RO1~RO3端口输出信号起动或停止其他的水泵,这时水泵的起动采用自耦降压起动装置或软起动器。这种方案的特点是水泵电机不需要在变频和工频之间切换;第一台水泵永远连接在变频器上,没有切换过程中的失压现象;由于变频泵以外的泵都有软起动器,所以不需要再做备用系统,当变频器故障时,可用软起动器手动起动M2~M4水泵,保证供水不致中断;每台电机都有起动器,初始投资较大。另一种是“循环投切”方案,系统图如图二所示
�

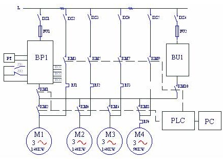
图二 变频恒压供水循环投切方案系统图
图中:BP1—变频器,BU1—软启动器,PT-压力变送器,ZJ1、ZJ2-用于控制系统的起动/停止和自动/手动转换。由图二可见,变频器连接在第一台水泵电机上,需要加泵时,变频器停止运行,并由变频器的输出端口RO1~RO3输出信号到PLC,由PLC控制切换过程。切换开始时,变频器停止输出(变频器设置为自由停车),利用水泵的惯性将第一台水泵切换到工频运行,变频器连接到第二台水泵上起动并运行,照此,将第二台水泵切换到工频运行,变频器连接到第三台水泵上起动并运行;需要减泵时,系统将第一台水泵停止,第二台水泵停止,这时,变频器连接在第三台水泵上。再需要加泵时,切换从第三台水泵开始循环。这种方式保证永远有一台水泵在变频运行,四台水泵中的任一台都可能变频运行。这样,才能做到不论用水量如何改变都可保持管网压力基本恒定,且各台水泵运行的时间基本相同,给维护和检修带来方便,所以,大部分的供水厂家都钟情于循环投切方案。但此方案也有不足之处,就是在只有一台变频器运行并切换到工频过程中会造成管网短时失压,在设计时应充分的引起重视。另外,必须设置一套备用系统,图中的软启动器就是作为备用。当变频器或PLC故障时,可用软起动器手动轮流起动各泵运行供水。
三. 循环投切的工作过程
众所周知,变频器的输出端不能连接电源,也不能运行中带载脱闸,切换过程应按以下的程序进行。循环投切恒压供水系统投入运行时,当变频器的输出频率已达到50Hz或52Hz时,能否将变频器的上限频率设为52Hz,取决于水泵电机运行在52Hz时是否超载。在50Hz频率下运行60s管网水压未达到给定值,此时,该台水泵需切换到工频运行。切换过程是:先关该台水泵电动阀,然后变频器停车(停车方式设定为自由停车),水泵电机惯性运转,考虑到电机中的残余电压,不能将电机立即切换到工频,而是延时一段时间,到电机中的残余电压下降到较小值,这个值保证电源电压与残余电压不同相时造成的切换电流冲击较小,在某水厂160kW水泵电机的切换时间为600ms。连接在电机工频回路中的空气开关容量为400A,经现场调试切换过程的电流冲击较小,每一次切换都百分之百的成功。关阀后停车,水泵电机基本上处于空载运转,到600ms时电机的转速下降不是很多,使切换时电流冲击较小。切换完成后,再打开电动阀;已停车的变频器切换到另外的水泵上起动并运行,再开电动阀。切除工频泵时,先关阀,后停车,这样无“水锤”现象产生。这些操作都是由PLC控制自动完成。
实际上,电机的传统起动方式也存在一定的电流冲击。对电机直接起动时,起动电流是额定电流的5~7倍,小功率的电机经常采用直接起动方式。电机功率较大时,常用星—三角或自耦降压起动器。自耦降压起动器起动电机时,首先加60%的电压,属恒频调压调速,数秒钟或数十秒钟后(根据电机的容量而定),电机加速到60%电压时的速度,将60%的电压切除后立即连接到100%(380V)电源上。切除60%电压时,电机的速度较变频器投到工频时电机的速度要低,残余电压相对低一些,投切是在瞬间完成的,电流冲击可能性较大,为保证切换成功,回路上的空气开关容量一般都选得比较大。循环投切时,电机从变频往工频切换,只要切换的延时足够,电机由变频切换到工频时的电流冲击不大。一般残余电压的衰减时间为1—2秒,切换延时也不是越长越好,延时短,残余电压高,速度降落少;延时长,残余电压低,但速度降落大。选择延时需二者兼顾,以求得最小的冲击电流。如果要使切换过程无电流冲击,需采用同步切换方式,加入一些控制手段和控制元件就可实现,但考虑经济上是否合算。
四. 循环投切对变频器和电机的影响
将电机从变频状态切换到工频状态时,变频器内的功率器件立即关闭,电机的电流不能跃变,功率器件旁的并联二极管提供了续流通路,残余电压经二极管整流器和中间环节电容流通,转子电阻消耗能量,电机的定子也能消耗部分能量,因此,残余电压的衰减比较快,虽然在切换时仍有一定的残余电压,但对变频器影响已经很小,对电机寿命也无多大的影响。自耦降压起动器切换时,电机内定子的残余电压无通路流通,只有转子回路是闭合回路,也只有转子电阻消耗能量,残余电压的衰减比较慢。切换时,因残余电压存在而形成的冲击电流较大,对电机有一定的影响,电机设计时已充分考虑了这些因素。
五. 应用实例
四川遂宁市自来水二厂,供水能力6万吨/日,城市管网压力0.4MPa,泵组为3台160kW,1台90kW水泵,要求恒压供水并采用计算机监控,变频器或控制系统故障可由软起动器手动起动各泵。
(1)计算机监控内容
管网压力,流量,泵的运行状态,阀启闭状态,电机温度,各泵运行的电流,电压,功率和功率因素,并监控水质参数如余氯,浊度,含铁量,PH值等。
(2)原理框图

图三 计算机监控原理图
为保证系统的可靠性,上位机PC用于管理,用组态软件做出若干工艺流程图,实时显示系统的运行状况,并统计历史数据,如需要可随时打印报表;还用于故障的报警和处理。PC机为研华工业计算机,PLC为西门子S-7300,便于与总控室计算机联网,采用带有PROFIBUS接口的CPU315。CP5611是通信模块,PDM-820AC电参数综合分析仪用于检测系统的用电量。控制水泵的起/停,切换,阀的启/闭;电机电流,温度的检测,水泵使用时间的统计;压力,流量,水质参数的采集等,均由PLC完成。水压的给定值由变频器键盘设定。

图四 变频恒压供水电气原理图
如图四所示,与前述的循环投切方案基本相同,BP1为永利yl23411SB200系列160kW变频器,DZ1—DZ6为LG ABE403a 400A空气开关,FU1 500A,FU2 600A为快熔,KM1-KM10为LG GMC-400交流接触器,PT为森纳斯压力变送器,量程1Mpa。系统调试时,水泵电机从变频状态切换到工频状态,延时从300ms起,到500ms时电流表显示也无明显的冲击,最后定为600ms。软起动器设定为限流起动方式,设定为2.5倍。软起动器起动时,起动电流接近800A,但在30s内下降到额定电流以下,查600A熔断器曲线,通过1000A电流在60s熔断,所以软起动器的熔断器定为600A。该系统已经投产两年,每日供水4-5万吨,运行良好。据厂家统计,电耗/吨减少20%.
六. 结论
多泵变频恒压供水系统常用的两种构成方案,两种方案各有优劣,采用循环投切方案的系统较多,在水泵电机从变频状态切换到工频状态时,只要严格遵循“先关阀,变频器自由停车,延时后再切换;停车时,先开机,后开阀”。这样,既可保证变频器的安全运行,又无“水锤”现象发生。